意大利 AR 艾热大流量高压泵 RTX 100.120 N 三柱塞泵,用于清洁装置和工业系统。可直接或通过柔性接头连接到各种类型的电机。泵体和泵盖采用压铸铝合金制成。侧盖可以是盲盖或带有油视镜。后盖设有排油口。活塞由曲柄连杆机构驱动。泵轴采用高强度压制钢制成。超大摩擦轴承。压铸特殊低摩擦锌铝合金连杆。提供青铜连杆。一件式陶瓷活塞。泵头采用镀镍黄铜制成。双垫片密封系统。进气阀和出油阀带有塞子,更易于维护。

基本参数:
压力:120bar
流量: 100 LPM
功率: 22KW/30HP
转速:150rpm
重量:32.5Kg
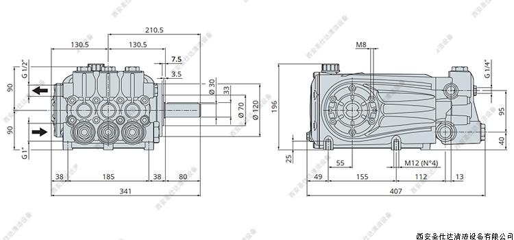
进出口尺寸:进水口为 1 英寸管螺纹(1"GR),出水口为 1/2 英寸管螺纹(1/2"GR),便于与管道系统连接。

结构与材质特点:
泵头材质:采用高强度无气孔锻压铜泵头,表面镀镍处理。这种材质组合使得泵头具有良好的强度和耐腐蚀性,镀镍层还能进一步提高其耐磨损和抗腐蚀性能,保证了泵在长期使用过程中的稳定性和可靠性。
柱塞:配备硬质实心陶瓷柱塞。陶瓷柱塞具有硬度高、耐磨性好、耐腐蚀性强等优点,能够在高压、高速的工作条件下保持良好的工作状态,有效延长了柱塞的使用寿命。
轴承:采用超大尺寸的锥形滚子轴承,并且具有精密的支撑结构,可保证泵的轴在高速旋转时的稳定性和准确性,减少轴的磨损和振动。

性能优势:
高效能:大流量和高压力的特性使其在清洗、冲洗等作业中具有高效的表现,能够快速有效地去除污垢和杂质。
稳定性好:内部结构设计合理,各部件之间的配合精度高,运行过程中振动小、噪音低,可在长时间的工作中保持稳定的性能。
适用范围广:适用于环卫、清扫车、管道清洗、工业清洗、高压喷雾等多种领域。
维护注意事项:
定期检查油位,确保润滑油充足,建议每周检查一次,必要时及时加注。
每工作 1000小时建议更换润滑油,并检查或更换吸排水阀和高压密封等易损件,以保证泵的正常运行。
每年至少更换一次油液,防止油液长时间使用后发生氧化,影响泵的性能。
